Компрессор 2ВМ4-54/3
Компрессор 2ВМ4-54/3, (2ВМ-4-54/3) предназначен для создания избыточного давления и подачи сжатого воздуха в качестве источника энергии для других процессов и применяются практически во всех отраслях промышленности.
Структура условного обозначения компрессора 2ВМ4-54/3, (2ВМ-4-54/3)
2 - число рядов в базе;
В - для сжатия воздуха;
М - оппозитная база;
4 - усилие на штоке поршня, тс;
54- производительность, м3/мин;
3 - абсолютное конечное давление, кгс/см2;
(С) - компрессор без смазки цилиндров и сальников.
Описание компрессора 2ВМ4-54/3, (2ВМ-4-54/3)
В состав компрессорной установки входят: компрессор, газоохладители, системы охлаждения, автоматического управления и защиты.
Компрессор 2ВМ4-54/3 - стационарный, поршневой, одноступенчатый, оппозитный, с водяным охлаждением, со смазкой цилиндров и сальников. Компрессор включает следующие основные узлы: базу, цилиндры, электродвигатель.
База состоит из унифицированных узлов кривошипно-шатунного механизма (коленчатого вала, шатуна, крейцкопфа), рамы, блока смазки механизма движения и лубрикатора. Рама чугунная, литая, коробчатой формы, с внутренними ребрами усиления. В верхней части рамы предусмотрены плотно закрываемые крышками люки, обеспечивающие доступ к деталям механизма движения. Нижняя часть рамы служит резервуаром для масла. Для крепления цилиндров компрессора к раме имеются специальные приливы. В отверстиях поперечных ребер установлены крейцкопфные чугунные гильзы, служащие направляющими для крейцкопфов. Коленчатый вал стальной штампованный, с кривошипами для установки шатунов, опирается на роликовые подшипники. На одном его конце установлен ротор электродвигателя, а в закрепленном на торце вала фланце выполнено квадратное отверстие для проворачивания вала компрессора с помощью рукоятки перед запуском. На другом конце вала крепится шестерня для передачи вращения валу масляного насоса блока смазки. Крейцкопфы чугунные или алюминиевые литые или штампованные, изготовляются заодно с ползунами. С шатунами крейцкопф соединяется посредством пальцев, которые изготовляются из стали и при сборке запрессовываются в крейцкопф. Шатуны стальные, штампованные, двутаврового сечения. Шатун имеет кривошипную головку с отъемной крышкой и неразъемную крейцкопфную головку. Разъемные вкладыши кривошипной головки - с антифрикционным слоем из алюминиевого сплава. Крышка кривошипной головки шатуна соединяется со стержнем шатуна двумя болтами и гайками.
Компрессор 2ВМ-4-54/3 имеет цилиндры двойного действия одинакового диаметра. Всасывающий и нагнетательный клапаны закрепляются в гнездах нажимным стаканом и упорными болтами или нажимными шпильками с гайками. Все уплотнения достигаются применением паронитовых прокладок. Поршни - дисковые, двойного действия из чугуна, алюминия или стали. Поршневые кольца - чугунные. Привод осуществляется от двухскоростного асинхронного электродвигателя, встроенного в раму компрессора. Смазка компрессоров осуществляется двумя независимыми системами: низкого давления для подачи масла к механизму базы и высокого давления для подачи масла в цилиндр. В системе смазки низкого давления масло заливается в нижнюю часть рамы через люковую крышку. Оттуда через сетчатый фильтр грубой очистки шестеренчатым насосом подается в блок смазки и далее во внутренний канал коленчатого вала, который имеет подводы масла на рабочую поверхность кривошипных шеек и к шатунам. В системе смазки высокого давления масло заливается в лубрикатор, откуда плунжерным насосом подается к цилиндрам и равномерно распределяется по поверхности трения. Для смазки механизма движения могут применяться масла марок И-50А (ГОСТ 20799-75), МС-20 (ГОСТ 21743-76), К3-10 (ТУ 38.401479-84), ИГП-49 (ТУ 38.101413-90); для цилиндров и уплотнительных устройств - масло К-12 и К-19 (ГОСТ 1861-73), МС-20.
Система охлаждения - водяная, не замкнутая, с регулировочным вентилем. Газоохладители - цилиндрические кожухотрубные аппараты с продольным оребрением труб. По требованию заказчика компрессорная установка может быть изготовлена с замкнутой системой охлаждения. Наряду с охлаждением из сжимаемого воздуха удаляются масло и влага, для чего служат влагомаслоотделители. Система автоматики предназначена для управления работой, защиты и контроля параметров. Она состоит из ряда подсистем и в совокупности с электроприводом осуществляет аварийное прекращение работы компрессорной установки с остановкой двигателя: при превышении температуры воздуха; при падении давления масла в циркуляционной системе смазки механизма движения; при недопустимом уменьшении протока охлаждающей воды; при превышении выше допустимого давления нагнетания; при КЗ и повреждениях в системе электропривода и управления. Аварийное отключение электродвигателя сопровождается подачей светового и звукового сигналов.
Фундамент компрессорной установки разрабатывается применительно к конкретному месту расположения.
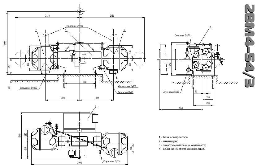
Общий вид, габаритные и установочные размеры компрессорной установки 2ВМ4- 54/3, (2ВМ-4-54/3) представлены на рис.
Условия эксплуатации компрессора 2ВМ4-54/3, (2ВМ-4-54/3)
высота над уровнем моря не более 1000 м;
максимальная температура охлаждающей воды 25 .С;
могут эксплуатироваться в любом климатическом районе;
во взрывозащищенном исполнении работают со взрывоопасными средами.
Монтаж и эксплуатация компрессорных установок осуществляются в соответствии с действующими "Правилами устройства и безопасной эксплуатации стационарных компрессорных установок, воздухопроводов и газопроводов", "Правилами устройства электроустановок", а также в соответствии с руководством по эксплуатации ВП 000-ВЭ завода-изготовителя.
Компрессор соответствует требованиям ТУ 26-12-804-90.
Технические характеристики компрессора 2ВМ4-54/3, (2ВМ-4-54/3)
| Технические характеристики | ||
|---|---|---|
| Сжимаемый газ | воздух | |
| Частота вращения вала электродвигателя, об/мин | 750 | |
| Объемная производительность приведенная к условиям всасывания, куб/м в мин. | 54 | |
| Давление атм. абс.: | Начальное | атмосферное |
| Конечное | 3 | |
| Начальная температура воздуха, С | -25...+35 | |
| Мощность на валу компрессора, кВт. | 151 | |
| Расход охлаждающей воды без концевого холодильника при ее температуре на входе +15 град. С. (расч.) л./мин. | 27 | |
| Расход масла на смазку цилиндров, г/час | 120 | |
| Количество масла, заливаемого в раму компрессора, л | 100 | |
| Масса компрессора, кг | 3500 | |
| Электродвигатель | ||
| Тип | А2К85/24-8/16УХЛ4 | |
| Мощность, кВт | 160 | |
| Напряжение, В | 380 | |
| Установка | ||
| Масса установки в объеме поставки, кг | 4100 | |
| Габаритные размеры установки, Д/Ш/В, мм | 2990/1500/1070 | |
Допустимое количество растительных и механических примесей в охлаждающей воде не должно превышать 40 мг/л, жесткость воды не более 7 мг-экв/л, наличие ионов хлора не более 1-1,5 г/л. Не допускается наличие в воде ионов меди, едких кали и натра. Давление воды в системе охлаждения не должно превышать 0,25 МПа.
При производительности 100% поддерживается давление 0,1-0,12 МПа;
при производительности 50% - 0,055-0,065 МПа.
Периодичность замены масла - 3000ч.
Запасные части к компрессору 2ВМ4-54/3
- Болт шатунный
- Гайка шатунного болта
- Вал коленчатый
- Вал коленчатый
- Втулка (крейцкопфа)
- Втулка
- Вкладыши шатуна
- Вкладыши шатуна
- Вкладыши шатуна
- Вкладыши шатуна
- Вкладыши шатуна
- Вкладыши шатуна
- Гильза 1 ст.
- Гильза 2 ст.
- Головка поршня
- Головка поршня
- Головка поршня
- Головка поршня
- Головка поршня
- Поршень 1 ст.
- Поршень 2 ст.
- Поршень 2 ст.
- Кольцо поршневое 1 ст.
- Кольцо поршневое 2 ст.
- Кольцо нажимное
- Кольцо уплотнительное
- Кольцо дроссельное
- Кольцо маслосъёмное
- Муфта
- Пружина
- Кольцо уплотнительное 1 ст.
- Кольцо уплотнительное 2 ст.
- Кольцо уплотнительное 1 ст.
- Кольцо уплотнительное 2 ст.
- Корпус (подшипника)
- Клапан предохранительный 1 ст.
- Клапан предохранительный 2 ст.
- Клапан обратный масляный
- Клапан
- Клапан
- Планка стопорная
- Клапан
- ЗИП к клапану
- Крейцкопф
- Манжета
- Насос масляный
- Насос масляный
- Подшипник игольчатый (верхняя головка шатуна)
- Подшипник роликовый (коленвал)
- Ползун (башмак крейцкопфа)
- Ось
- Система смазки
- Станция смазочная (лубрикатор)
- Устройство уплотнительное (сальник)
- Фильтр (по карте разрешения)
- Фильтр воздушный масляный
- Фильтр воздуха
- Фильтр тонкой очистки
- Шатун
- Шток
- Шток
- Шток
- Шток
- Цилиндр 1 ст.
- Цилиндр 2 ст.
- Цилиндр 1 ст.
- Цилиндр 2 ст.
- Цилиндр 1 ст.
- Цилиндр 2 ст.
- Цилиндр 1 ст.
- Корпус (цилиндр)
- Крышка цилиндра
- Крышка цилиндра 1 ст.
- Крышка цилиндра 2 ст.
- Корпус (фланец)
- Корпус (подшипника)
- Крышка
- Станина
- Воздухосборник
- Воздухосборник
- Холодильник (газоохладитель)
- Труба оребренная
- Газоохладитель (холодильник)
- Труба оребренная газоохладителя
- Газоохладитель
- Вентиль
- Вентиль
- Кран
- Кран
- Автоматический выключатель
- Вентиль (клапан) электромагнитный
- Вентиль (клапан) электромагнитный
- Вентиль мембранный
- Клапан электромагнитный
- Клапан электромагнитный
- Блок управления
- Шкаф управлени
Продукция